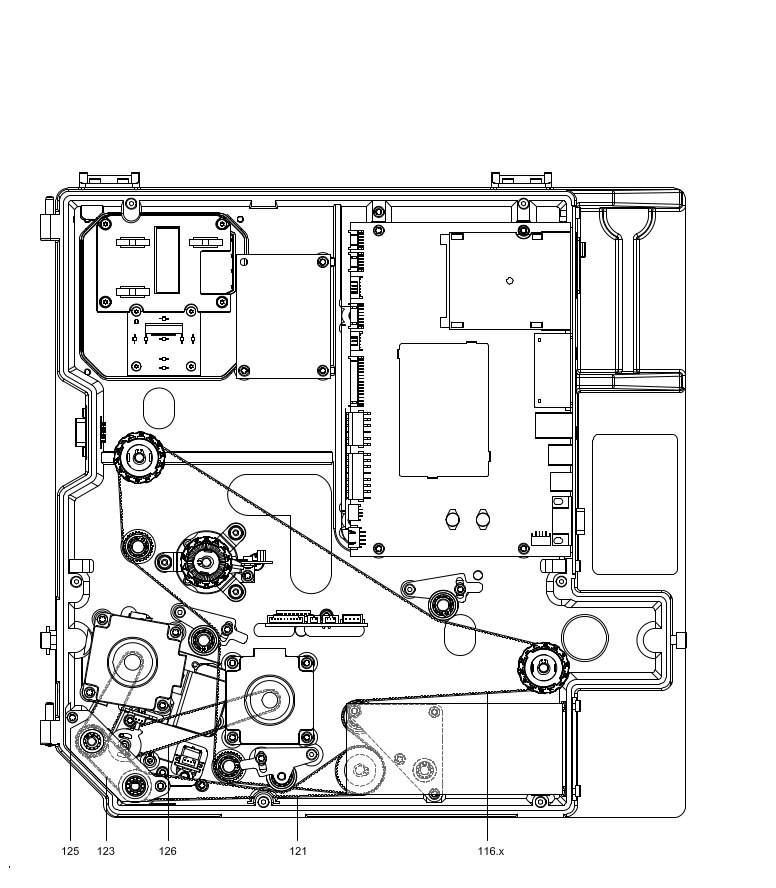
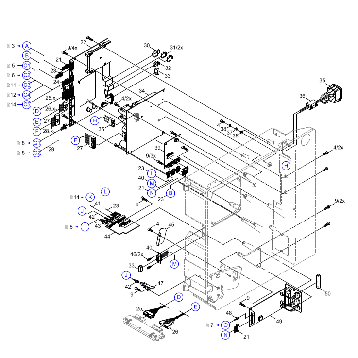
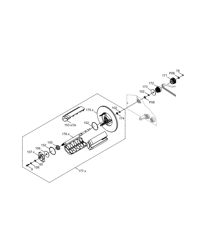
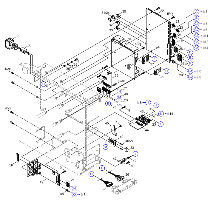
Cab Hermes+ 2 Label Print & Apply Spare Parts Finder